Home
About Us
Company Profile
Corporate Culture
Qualification Certificate
Production Equipment
Contact Us
Strategic Partners
Product Center
Rotary Switch
Encoders
Rotary Potentiometer
Slide Potentiometer
Foot Switch
Guitar Switch
Refrigerator Door Switch
Slide Switch
Push Switch
Toggle Switch
Push Button Switch
Dial Switch
Joystick Potentiometer
News
Technical Support
Contact Us
Chinese
Product
Rotary Switch
Encoders
Absolute Encoder
Incremental Encoder
Encoder With Power switch
Encoder With LED
Rotary Potentiometer
8mm
9mm
11mm
14mm
16mm
24mm
Slide Potentiometer
Foot Switch
Guitar Switch
Refrigerator Door Switch
Slide Switch
Push Switch
Toggle Switch
Push Button Switch
Dial Switch
Joystick Potentiometer
Contact Us
HongYu High-Tech Electronic Co.,Ltd
Tel:86-0752-6116051
Fax:86-0752-6116050
Address: Industrial Development Zone of Shiwan Town, Boluo County, Huizhou City
9mm
Site:
Huizhou Hongyu
>
Product Center
>
Rotary Potentiometer
>
9mm
>
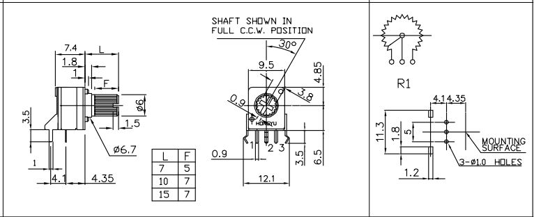
H0970A-20DA
Publication Time:2019/3/27 9:54:38 Click:Second Browse Times:
H0970A-20DA
Rating:0.05W
Contact Resistance:
InsulationResistance:250V DC- 100KΩ min
Withstand Voltage:300V AC 1 minute
Operating Force:10-100gf.cm
Life Cycle:10000cycles
Product Details:
Previous Atlas:
H0970B-20DA
Next Atlas:
H09702-20DA
HongYu High-Tech Electronic Co.,Ltd ©Copyright Tel: 86- 0752-6116051 Guangdong ICP 11005023